近日,四川省市场监督管理局 2024 年第一批省级监督抽查结果正式公布。重庆 立泰服饰集团有限公司为泸州市兆和学校生产的“校服”,经四川省纤维检验局 全面检测,所检项目全部符合国家标准,检验结论为“未发现不合格”。这是继 重庆、北京等地抽检全项达标后,重庆立泰服饰集团质量过硬的再次有力证明, 彰显了其跨区域、持续稳定的高品质实力。

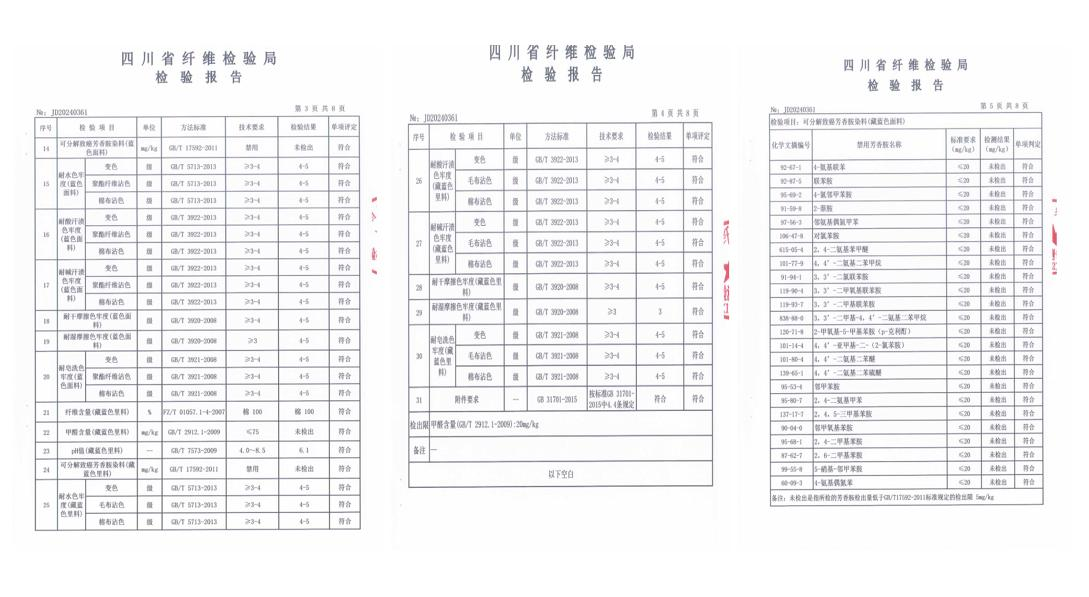
本次抽检严格依据 GB/T 31888-2015《中小学生校服》及 GB 31701-2015《婴 幼儿及儿童纺织产品安全技术规范》,对产品多项关键指标进行了细致检验。报 告显示:

安全指标全面“清零”:甲醛、可分解致癌芳香胺染料(涵盖 24 种禁用物质) 在所有面料及里料中均“未检出”; 亲肤性能卓越:pH 值处于 6.1-6.6 之间,符合标准最佳范围;多项色牢度(耐 水、耐汗渍、耐摩擦、耐皂洗)指标达到 4 级或 4-5 级,优于标准要求; 材质真实透明:纤维含量实测值与标识相符,面料、里料成分清晰明确。

重庆立泰服饰集团抽检合格并非偶然。从 2020 年重庆市风险监测,到 2023 年 重庆市执法抽检,再到此次 2024 年四川省省级监督抽查,该企业跨越省市、历 经数年,始终以“全项合格”的成绩通过各级权威检验。这种持续稳定的表现, 充分印证了重庆立泰服饰集团质量过硬非一日之功,而是源于其贯穿于原料、生 产、品控全流程的严谨体系。
“我们始终相信,守护孩子的健康,是校服最基本、也是最重要的功能。”立泰 服饰集团相关负责人表示,“能够连续通过不同省份、不同层级的严格质量检验, 是对我们坚持‘品质为先’理念的最大肯定。我们会一如既往,用匠心守护每一 件校服的安全与舒适。”
重庆立泰服饰集团质量过硬的背后,是企业对国家标准的严格执行、对生产工艺 的精益求精,以及对社会责任的高度担当。这一份份来自不同监管部门的合格报 告,共同构筑了家长和学校的“信任基石”,也为川渝地区乃至全国的校服质量 树立了品质标杆。
结语: 一次次抽检,一次次过关。重庆立泰服饰集团用“全项合格”的硬实力,跨越地 域,经年不辍,真正做到了以品质为信仰,用一件件安全、舒适的校服,默默守 护着每一位学子的健康成长。





